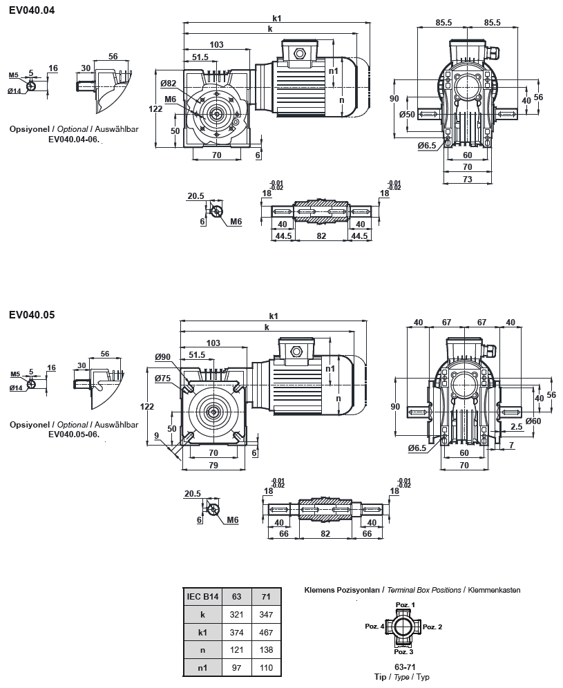
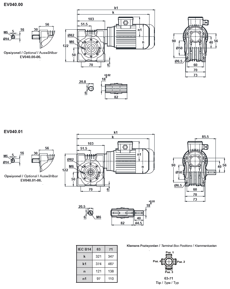
Червячный мотор-редуктор EV040 (EN040)
Назад
Назад
© 2014 Редукторы, мотор-редукторы, устройства плавного пуска, преобразователи частоты