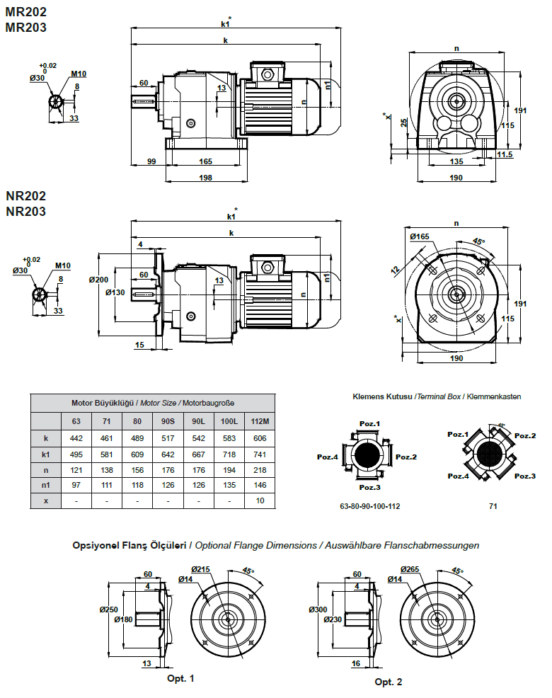
Габаритные и присоединительные размеры MR202, MR203 (MRF202, MRF203)

 

Назад

Габаритные и присоединительные размеры MR202, MR203 (MRF202, MRF203)

Назад

 
© 2014 Редукторы, мотор-редукторы, устройства плавного пуска, преобразователи частоты