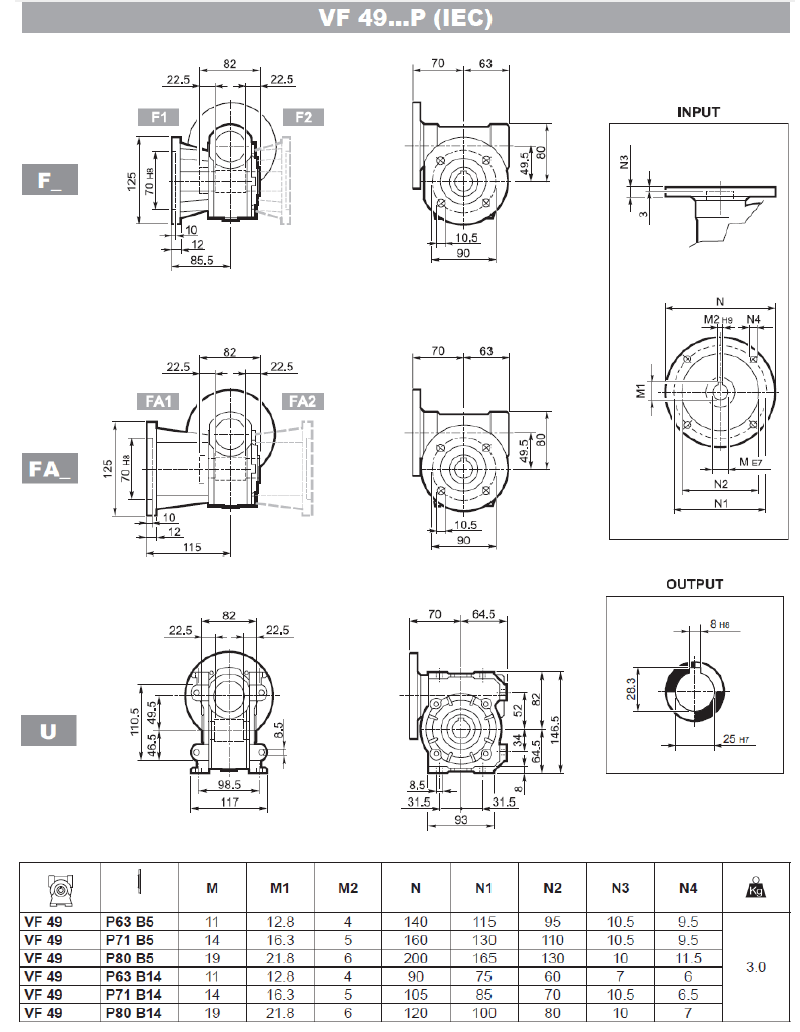
Габаритно-присоединительные размеры VF49

 

Назад

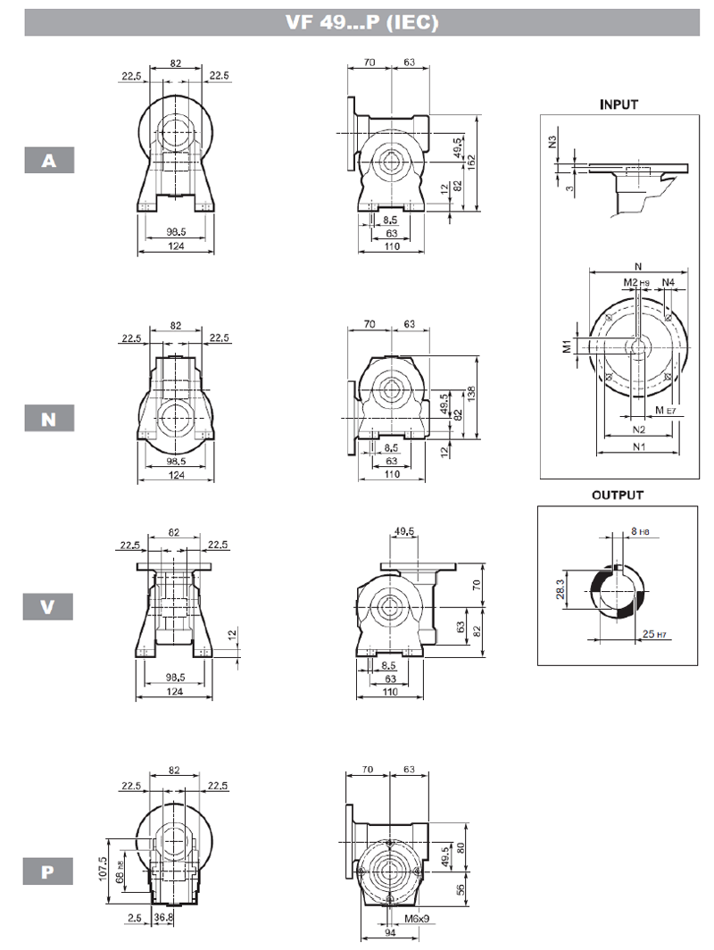
Габаритно-присоединительные размеры VF49

Габаритно-присоединительные размеры VF49

Назад

 
© 2014 Редукторы, мотор-редукторы, устройства плавного пуска, преобразователи частоты