Двухступенчатый червячный мотор-редуктор Tramec (Трамек) XX, XK, KK XX30/30, XX30/40, XX30/50, XX30/63, XX40/63, XX40/75, XX40/90, XX50/75, XX50/90, XX50/110, XX63/110: характеристики, устройство, принцип работы, цена

XX30/30, XX30/40, XX30/50, XX30/63, XX40/63, XX40/75, XX40/90, XX50/75, XX50/90, XX50/110, XX63/110

Червячные двухступенчатые мотор-редукторы серии XX TRAMEC изготавливаются из качественных комплектующих итальянского производства. Благодаря этому червячные двухступенчатые мотор-редукторы CXC не изнашиваются, работают бесшумно и при этом имеют небольшой вес. Комплектуются редукторы асинхронными электродвигателями мощностью 0,06-1,5 кВт, диапазон выходных скоростей 0,1-12 об/мин.

Серия имеет следующие типоразмеры:
XX30/30, XX30/40, XX30/50, XX30/63, XX40/63, XX40/75, XX40/90, XX50/75, XX50/90, XX50/110, XX63/110

Двухступенчатый червячный мотор-редуктор Tramec (Трамек) XX, XK, KK

Система обозначения червячных мотор-редукторов серии XX

X X C 50/110 1200 P.A.M. F1 a B3 LD SeA1

X - Тип первой ступени мотор-редуктора
X - Тип второй ступени мотор-редуктора
C - Тип входа (A, C, F)
50/110 - Межосевое расстояние редуктора первой и второй ступени, мм
1200 - Номинальное передаточное отношение сборки
P.A.M. - Типоразмер электродвигателя (высота от лап до центра вала) 56, 63, 71, 80, 90
F1 - Версия (P, F, 1-2-3)
a - Исполнение (ab, cd, ef, gh, ik, im, no, pq)
B3 - Монтажная позиция (B3, B6, B7, B8, V5, V6)
LD - Ограничитель крутящего момента (LD, LS, L1)
SeA1 - Дополнительный входной вал (SeA1, SeA2)
H - Выходной вал (H, SD, SS, DD)
BR - Реактивная штанга (BR)

Типоразмер
M max, Нм

D - выходного вала,

мм

XX30/30
39
14
XX30/40
82
18
XX30/50
150
25
XX30/63
279
25
XX40/63
279
25
XX40/75
442
28
XX40/90
673
35
XX50/75
442
28
XX50/90
709
35
XX50/110
1165
42
XX63/110
1229
42

Габаритные и присоединительные размеры

Реактивная штанга, выходной вал

Присоединительные размеры фланца электродвигателя

Монтажные положения

Вес червячных редукторов серии XX, кг

Выходные обороты и мощность электродвигателей (кВт)

 

Габаритные и присоединительные размеры Tramec (Трамек)

KXC - XXC - XXF -XXA
a
A
b
be
b2
B
C1
C2
de
D2 H7
Et
Eq
E2
f2
G h8
h
h1
h2
H
H1
H2
30/30
54
80
44
3
5
-
56
31,5
31,5
9
14
-
41
40
40
6,5
55
71
27
44
97
40
57
30/40
70
105
60
6
6
71
39
18
19
50
6,5
60
90
35
55
125
50
75
30/50
80
125
70
8
8
85
46
25
24
60
8,5
70
104
40
64
150
60
90
30/63
100
147
85
-
103
56
-
72
9
80
130
50
80
182
72
110
40/63
4
39
11
51
50
40/75
120
176
90
8
8
112
60
28
30
86
11
95
153
60
93
219,5
86
133,5
50/75
5
46
14
60
60
40/90
140
203
100
4
10
-
130
39
70
11
35
-
51
50
103
13
110
172
70
102
248,5
103
145,5
50/90
5
46
14
60
60
50/110
170
252,5
115
12
-
143
77,5
42
-
127,5
14
130
210
85
125
310,5
127,5
183
63/110
6
56
19
71
72

 

KXC - XXC - XXF -XXA
I
I1
I2
Jt
Jq
Kc
Kq
L
Lt
M
Me
N
Pp
R
S
Tt
Tq
Te
t2
X
30/30
100
31,5
31,5
37,5
40
57
57
15
171,5
M6x8
M4x10
44,5
29
65
5,5
52,5
57
10,2
16,3
-
1,5
30/40
122
40
203,5
M6x10
36,5
75
6
20,8
21,8
1,5
30/50
132
50
223,5
M8x10
43,5
85
7
28,3
27,3
1,5
30/63
145
63
248,5
M8x14
53
95
8
-
2
40/63
150
40
43,5
50
75
75
20
261
M4x12
57,5
68,5
75
12,5
40/75
174,5
75
299,5
M8x14
57
115
10
31,3
33,3
2
50/75
190
50
53,5
60
82
82
25
322
M5x13
67,5
82,5
90
16
40/90
184,5
40
90
43,5
50
75
75
20
326,5
M10x18
M4x12
57,5
67
130
12
68,5
75
12,2
28,3
-
2
50/90
200
50
53,5
60
82
82
25
349
M5x13
67,5
82,5
90
16
50/110
226
110
399,5
M8x20
74
165
14
45,3
-
2
63/110
236
63
64
72
97
95
30
419,5
M8x20
77,5
100,5
110
21,5

 

Назад

Выходные обороты и мощность электродвигателей (кВт)

Назад

Присоединительные размеры фланца электродвигателя

Присоединительные размеры фланца электродвигателя

PAM
N
M
P
Q
225
300
400
450
500
600
750
900
1200
1500
1800
2400
3200
4000
5000
D
XX30/30
XX30/40
56B5
80
100
120
54,5
9
9
9
9
9
9
9
9
9
9
9
9
9
9
9
5614
50
65
80
54,5
XX30/50
56B5
80
100
120
54,5
9
9
9
9
9
9
9
9
9
9
9
9
9
9
9
5614
50
65
80
54,5
63B5
95
115
140
54,5
11
11
11
11
63B14
60
75
90
54,5
XX30/63
56B5
80
100
120
54,5
9
9
9
9
9
9
9
9
9
9
9
9
9
9
9
5614
60
75
90
54,5
63B5
50
65
80
54,5
11
11
11
11
11
11
11
11
11
63B14
60
75
90
54,5
XX40/63
XX40/75
63B5
95
115
140
65
11
11
11
11
11
11
11
11
11
11
11
11
11
11
11
63B14
60
75
90
65
71B5
110
130
160
66
14
14
14
14
14
14
14
14
14
71B14
70
85
105
66
XX40/90
63B5
95
115
140
65
11
11
11
11
11
11
11
11
11
11
11
11
11
11
11
63B14
60
75
90
65
71B5
110
130
160
66
14
14
14
14
14
14
14
14
14
71B14
70
85
105
66
XX50/75
XX50/90
XX50/110
63B5
95
115
140
78
11
11
11
11
11
63B14
/
/
/
/
71B5
110
130
160
78
14
14
14
14
14
14
14
14
14
14
14
14
14
71B14
70
85
105
75
80B5
130
165
200
78
19
19
19
19
19
19
19
19
80B14
80
100
120
77

Назад

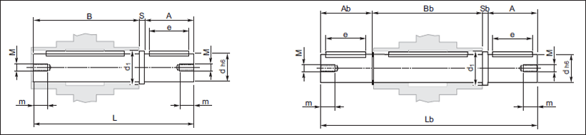
Реактивная штанга, выходной вал

выходной вал

KK-KX-XX
A
Ab
B
Bb
d (h6)
d1
e
L
Lb
M
m
S
Sb
30/30
30
29
62
64
14
18,5
20
94,5
126
M6
16
2,5
2,5
30/40
40
39
77
79
18
23,5
30
120
161
M6
16
3
3
30/50
50
49
90
93
25
31,5
40
143,5
195
M8
22
3,5
3,5
30/63
40/63
50
49
111
113
25
31,5
40
165
216
M8
22
4
4
40/75
50/75
60
59
119
121
28
34,5
50
183
244
M8
22
4
4
40/90
50/90
80
78,5
139
141,5
35
41,5
60
224
305
M10
28
5
5
50/110
63/110
80
77,5
154,5
157
42
49,5
60
242,5
233,5
M10
28
8
8

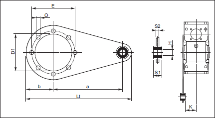
Реактивная штанга

KK
KX
XX
a
b
D1
E
H
K
Lt
O
S1
S2
30/30
85
37,5
55
65
8
24
141,5
7
14
4
30/40
100
45
60
75
10
31,5
167
7
14
4
30/50
100
50
70
85
10
39
172
9
14
5
30/63
40/63
150
55
80
95
10
49
227
9
14
6
40/75
50/75
200
70
95
115
20
47,5
302
9
25
6
40/90
50/90
200
80
110
130
20
57,5
312
11
25
6
50/110
63/110
250
100
130
165
25
62
390
11
30
6

 

Назад

Монтажные положения двухступенчатых червячных редукторов серии XX

Монтажные положения двухступенчатых червячных редукторов серии XX

Монтажные положения двухступенчатых червячных редукторов серии XX

 

 

Назад

Положение клемной коробки электродвигателя

Положение клемной коробки электродвигателя

Назад

Вес червячных редукторов серии XX, кг

XX30/40
3,9
XX30/50
5,2
XX40/75
12
XX40/90
16,5
XX50/110
45

 

 
© 2014 Редукторы, мотор-редукторы, устройства плавного пуска, преобразователи частоты