Двухступенчатые червячные мотор-редукторы МЧ2-160: характеристики, устройство, принцип работы, стоимость

МЧ2-160
Универсальные червячные двухступенчатые мотор-редукторы серии МЧ2-160 предназначены для понижения скорости, используются в агрегатах требующих низкие скорости и высокий момент. Данная серия способна выдавать момент до 4000Нм в соотношение передаточных чисел 70-4000. Основные характеристики соответствуют серии редукторов 1Ч160 т.к. он используется в качестве второй ступени мотор-редуктора. Базовая серия комплектуется общепромышленным асинхронным электродвигателем, по желанию заказчика возможна установка двигателей специального исполнения.

 

Техническое описание

Условия применения

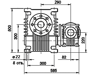
Габаритные и присоединительные размеры

Варианты сборки

Технические характеристики

 

Техническое описание мотор-редуктора МЧ 2-160

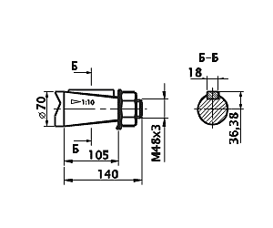
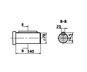
Редуктор МЧ2-160 имеет две ступени. В качестве первой ступени используется редуктор серии 2Ч-80, а в качестве второй редуктор 1Ч-160. Суммарное передаточное отношение может достигать 4000/1. Корпус мотор-редуктора изготовлен из чугуна. Выходной вал в базовой комплектации конический. Диаметр выходного вала - 70 мм.

 

УСЛОВИЯ ПРИМЕНЕНИЯ РЕДУКТОРОВ МЧ2-160

  • Нагрузка постоянная или изменяемая не превышающая максимальный момент
  • реверс в обе стороны, без изменений рабочих характеристик
  • климатические условия соответствуют ГОСТ 15150-69 (У2, У3, Т2)
  • при использование общепромышленных асинхронных электродвигателей внешняя среда должна быть неагрессивной и невзрывоопасной.

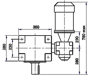
Мотор-редукторы МЧ2-160

 

Габаритные и присоединительные размеры

Габаритные и присоединительные размеры
Габаритные и присоединительные размеры
Выходной вал конический
Выходной вал цилиндрический

 

Варианты сборки

Установочное положение

Установочное положение

 

Вариант сборки червячной пары

Вариант сборки червячной пары

 

Технические характеристики

ПАРАМЕТР
ПЕРЕДАТОЧНОЕ ЧИСЛО ОБЩЕЕ
100
125
160
200
250
400
630
1000
1600
2500
4000
Номинальный крутящий момент на выходном валу,
Н.м
при ПВ>63%
1440
1970
1670
1710
1750
1985
2090
2210
2315
2055
1350
при ПВ<63%
1800
2465
2090
2140
2190
2480
2610
2760
2895
2570
1690
при ПВ=40%
1800
2465
2090
2140
2190
2480
2610
2760
2895
2570
1690
при ПВ=25%
2160
2525
2508
2570
2630
2980
3130
3310
3470
3085
2030
при ПВ=16%
2160
2525
3170
3210
3285
3720
3600
3750
4180
3855
2535
КПД, %s
при ПВ>63%
77
74
73
68
65
60
55
50
35
30
22
Термическая мощность, кВт
при ПВ>63%
3,15
3,15
3,15
3,47
2,90
2,90
2,05
1,24
1,09
0,92
0,92
Тип электродвигателя серии АИР
100L4
100L4
100L4
100L4
100S4
90L4
80B4
80A4
80A4
71B4
71A4
Мощность эл./дв, [кВт]
4,0
4,0
4,0
4,0
3,0
2.2
1.5
1,1
1,1
0,75
0,55
Номинальная частота вращения выходного вала, об/мин
14,0
11,2
8,8
7,0
5,6
3,5
2,2
1,4
0,88
0,56
0,35

 

 
© 2014 Редукторы, мотор-редукторы, устройства плавного пуска, преобразователи частоты