Мотор-редукторы планетарные двухступенчатые типа МПО2М-10, МПО2М-15: характеристики, устройство, принцип работы, цена. Город Краснодар, Краснодарский край

МПО2М-10, МПО2М-15
Мотор-редукторы серии МПО2М-10, МПО2М-15 применяются в качестве привода машин использующихся преимущественно в химическом производстве. Мотор-редукторы не прихотливы в работе и имеют высокую перегрузочную способность. Редукторы серии МПО получили широкое распространение еще со времен СССР и зарекомендовали себя как надежные изделия. Редуктор имеет двухступенчатую планетарную передачу и позволяет получить диапазон скоростей 0,56 – 63 об/мин.

 

Техническое описание

Условия применения

Габаритные и присоединительные размеры

Технические характеристики

 

Техническое описание МПО2М-10, МПО2М-15

Мотор-редукторы серии МПО2М изготовлены из чугуна и позволяют получить крутящий момент в пределах 55 – 2262Нм. Монтаж редуктора осуществляется на лапах или на опорном фланце. Диаметр выходного вала редуктора МПО2М-10 – 40 мм, а МПО2М-15 – 65 мм. В виду того, что данная серия рассчитана работать на химическом производстве, в большинстве случаев редукторы комплектуются взрывозащищенными электродвигателями.

 

УСЛОВИЯ ПРИМЕНЕНИЯ РЕДУКТОРОВ

  • Вращение выходного вала в обе стороны без изменений скорости и выходного момента
  • Непрерывность работы до 24 ч/сут при соблюдении требований (по ГОСТ 183-74)
  • Нагрузка постоянная или переменная, не превышающая максимально допустимый момент
  • Температура внешней среды от -40°С до +45°С
  • Климатические условия класса У и Т, категория размещения 2 и 3
  • Высота над уровнем моря не должна превышать 1000 м, допускается эксплуатация редуктора на высоте более 1000 м при соблюдении требований описанных в ГОСТ 183-74.

 

Мотор-редукторы МПО2М-10, МПО2М-15 по способу монтажа имеют четыре модификации:

  • Щ - горизонтальное исполнение крепление на лапах)
  • Ф - горизонтальное исполнение (крепление на опорном фланеце)
  • В – вертикальное исполнение (крепление на опорном фланеце)
  • ВК - крепление на опорном фланеце, кольцевая канавка на валу.

 

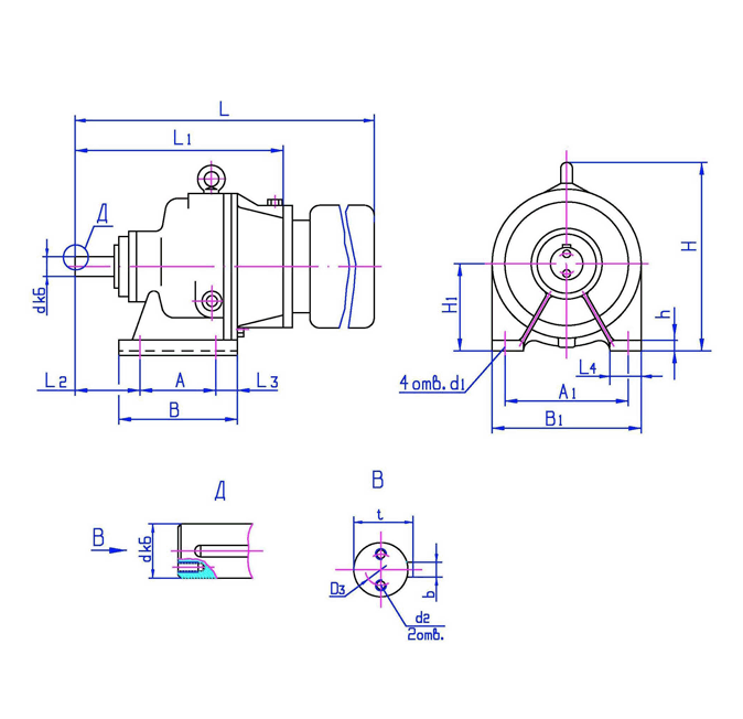
Внешний вид мотор-редукторов МПО2М-10, МПО2М-15
Мотор-редукторы МПО2М-10, МПО2М-15

 

Габаритные и присоединительные размеры

 

Ф - горизонтальное исполнение (крепление на опорном фланеце)

Ф - горизонтальное исполнение (крепление на опорном фланеце)

Тип
L1
I1
I2
I3
I4
D
D1
D2
D3
n
d
d1
d2*1
b
t
МПО2М-10
420
6
16
110
80
270
300
330
20
6
40
13
M8*16
12
43
МПО2М-15
620
10
20
190
140
330
375
420
30
6
65
22
M10*22
18
69

 

В – вертикальное исполнение (крепление на опорном фланеце)

4МЦ2С-63 G310 - фланцевое исполнение


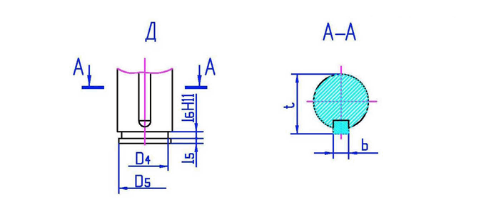
ВК - крепление на опорном фланеце, кольцевая канавка на валу

ВК - крепление на опорном фланеце, кольцевая канавка на валу


Тип
L1
I1
I2
I3
I4
I5
I6
D
D1
D2
D3
D4
D5
n
d
d1
d2*1
b
t
МПО2М-10
420
6
16
110
80
4
5
270
300
330
20
32
38
6
40
13
M8*16
12
43
МПО2М-15
620
10
20
190
140
6
8
330
375
420
30
55
62
6
65
22
M10*22
18
69

 

Щ - горизонтальное исполнение крепление на лапах)

Щ - горизонтальное исполнение крепление на лапах)

Тип
L1
L2
L3
L4
H
H1
A
A1
B
B1
h
d
d1
d2*1
D3
b
t
МПО2М-10
420
125
40
60
370
160
150
250
210
300
20
40
17
M8*16
20
12
43
МПО2М-15
620
215
65
100
496
225
210
390
300
460
35
65
22
M10*22
30
18
69

 

Технические характеристики


Мотор-редуктор
Электродвигатель
Типо­размер
Передаточное число
Номинальная частота вращения выходного вала, об/мин
масса мотор-редуктора, кг,не более.
Корректированный уровень звуковой мощности по шкале А, дБ, не более
Тип
Мощность, кВт
МПО2М-10
23,1
63
102
89
4АМХ100s4
3
142
2В100s4
28,2
50
102
4АМХ100s4
142
2В100s4
86
86
4АМХ80B4
1,5
100
B80B4
81
4АМХ71B4
0,75
88
B71B4
45,5
31,5
86
4АМХ80B4
1,5
100
B80B4
45,5
31,5
81
86
4АМХ71B4
0,75
88
B71B4
66,5
20
86
4АМХ80B4
1,5
100
B80B4
81
4АМХ71B4
0,75
88
B71B4
81,6
16
81
4АМХ71B4
88
B71B4
208
6,3
71
4АА63B4
0,37
85
B63B4
2190
0,63
71
4АА63B4
85
B63B4
МПО2М-15
24,6




32,1
59




45
267
93
4АМ132М4
11
315
2В132М4
252
4АМ132s4
7,5
305
2В132s4
267
4АМ132М4
11
315
2В132М4
252
4АМ132s4
7,5
305
2В132s4
228
4АМ112МА4
5,5
270
2В112М4
46,9
31
228
4АМ112МА4
270
2В112М4
81,5
18
207
89
4АМХ100sА4
3
260
2В100s4
101,7
14
191
86
4АМХ80В4
1,5
204
В80В4
204
6,7
186
4АМХ71В4
0,75
195
В71В4
4,6
190
4АМХ80А6
202
В80А6
2469
0,56
186
4АМХ71А4
0,55
195
В71А4
0,55

 


 
© 2014 Редукторы, мотор-редукторы, устройства плавного пуска, преобразователи частоты