Одноступенчатые червячные мотор-редукторы SITI MU, MI: характеристики, устройство, принцип работы, цена

Мотор-редукторы SITI MU, MI

Червячные мотор-редукторы серии MU имеют усиленный дополнительными ребрами корпус. Серия MU имеет семь типоразмеров и комплектуется асинхронными электродвигателями от 0.06 кВт до 11 кВт. Типоразмеры MU30, MU40, MU50, MU63, MU75, MU90 изготавливаются из высокопрочного сплава алюминия, корпус MU110 сделан и чугуна. Редукторы серии MU развивают момент в пределах 4-800 Нм. Каждый типоразмер имеет рад передаточных чисел 5:1 до 100:1. Более подробные условия эксплуатации редукторов серии MU можно узнать, ознакомившись с рекомендациями производителей и разработчиков.

 

Система обозначения червячных мотор-редукторов серии MU

MU
40
– 10
– 140
– F
– B3
– 0,55
– 32
– 380
– 50
(4P)
1
2
3
4
5
6
7
8
9
10
11

1 – Cерия редуктора (MI,MU )

2 – Межосевое расстояние, мм (30, 40, 50, 63, 75, 90, 110, 130, 150, 175)

3 – Номинальное передаточное отношение редуктора

4 – Число оборотов выходного вала , об/мин

5 – Фланец на выходном валу редуктора (F, FBR, FBM, FBML)

6 – Монтажное положение (В3, В6, В7, В8, V5, V6)

7 – Мощность электродвигателя , кВт

8 – Крутящий момент на выходном валу, Nm

9 – Напряжение питания электродвигателя, V

10 – Частота питающей сети, Гц

11 – Количество полюсов электродвигателя (2, 4, 6)

 

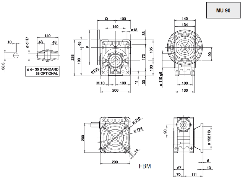
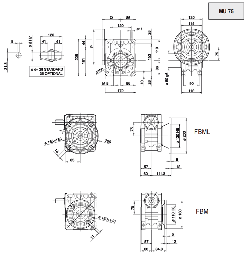
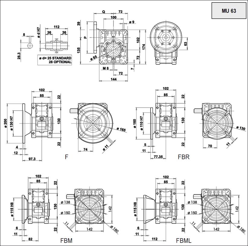
Габаритные и присоединительные размеры

MU30-размеры

MU40-размеры

MU50-размеры

MU63-размеры

MU75-размеры

MU90-размеры

MU110-размеры

Реактивная штанга, выходной вал - размеры

Монтажные положения и количество масла, заливаемого в мотор-редукторы MU

Вес червячных редукторов серии MU, кг

 

Выходные обороты и мощность электродвигателей (кВт) pdf.

 

MU30-размеры

MU30

MU40-размеры

Назад

MU40

MU50-размеры

Назад

MU50

MU63-размеры

Назад

MU63

MU75-размеры

Назад

MU75

MU90-размеры

Назад

MU90

MU110-размеры

Назад

MU110

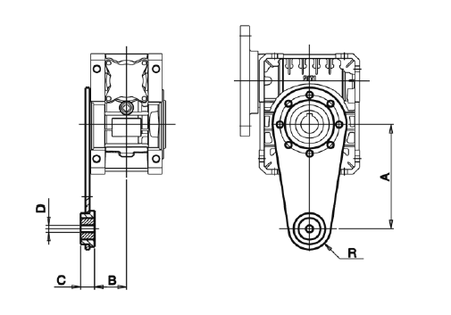
Реактивная штанга, выходной вал

Назад

выходной вал

A
A1
B
B1
C
C1
D h7
d
L
b1
t1
MU30
28,5
57
35
35
30
30
14
M5
127
5
16
MU40
39
78
43
43
40
40
18
M5
164
6
20,5
MU50
46
92
53,5
53,5
50
50
25
M8
199
8
28
MU63
56
112
65
53,5
60
50
25
M8
219
8
28
MU75
60
120
70
63,5
60
60
28
M8
247
8
31
MU90
70
140
65
84,5
60
80
35
M8
309
8
38
MU110
77,5
155
126
84,5
110
80
52
M10
324
12
45

Реактивная штанга

A
B
C
D
R
MU30
85
26,5
12,5
8
12,4
MU40
100
29,5
20
10
30
MU50
100
35,5
20
10
36
MU63
150
46
20
10
30
MU75
200
47,5
25
14
37,5
MU90
200
57,5
25
14
37,5
MU110
250
64,5
25
14
37,5

 

Назад

Монтажные положения и количество масла, заливаемого в мотор-редукторы MU

Монтажные положения и количество масла, заливаемого в мотор-редукторы MU

Положение клемной коробки эл.двигателя

Положение клемной коробки эл.двигателя

Назад

Вес червячных редукторов серии MU, кг

MU30
0,9
MU40
2
MU50
3
MU63
5
MU75
8
MU90
13
MU110
19

 

 

 
© 2014 Редукторы, мотор-редукторы, устройства плавного пуска, преобразователи частоты