Червячный одноступенчатый мотор-редуктор NMRV 075

Мотор-редукторы NMRV

Редуктор NMRV 075 изготовлен из сплава высокопрочного алюминия методом литья под высоким давлением. Элементы редуктора изготовлены на оборудовании ЧПУ, что дает высокую точность обработки червячных пар. Редукторы NMRV 075 бесшумны в работе, а КПД имеет максимальное значение. Диаметр выходного вала – 28 мм. Комплектуется редуктор двигателями мощностью 0,25 – 4,0 кВт.

Вернуться в общее описание

 

Редукторы NMRV имеют следующие типоразмеры:

nmrv 030, nmrv 040, nmrv 050, nmrv 063, nmrv 075, nmrv 090, nmrv 110, nmrv 130, nmrv 150

  • Типоразмер - 075 - изготавливается из алюминиевого сплава, литого под давлением;
  • Нагрузочная способность в соответствии с: ISO 14521, ISO 6336, DIN 3990, DIN 743, ISO 281, DIN 3996, BS 721, AGMA 6034;
  • Передаточное отношение - 7,5 - 100;
  • Мощность электродвигателя - 0,25- 4,0 квт;
  • Момент на выходном валу - 46 - 261 Нм;
  • Окраска редуктора синяя - RAL 5010.

 

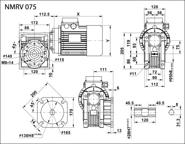
Габаритные и присоединительные размеры NMRV 075

Габаритные и присоединительные размеры NMRV 075

 

Выходные обороты и мощность электродвигателя

Мощность электродвигателя в кВт
Скорость вращения выходного вала в об/мин
Момент на выходном валу в Нм
Сервис-фактор s/f
Передаточное отношение - i
Габарит и количество полюсов электродвигателя
Максимальная радиальная нагрузка на выходной вал
0,25
17.5
82
2.3
80
71А4
6130
14.0
94
1.9
100
6603
11.3
117
1.7
80
71В6
7103
9.0
133
1.4
100
7380
0,37
23.3
98
2.0
60
71B4
5569
17.5
121
1.6
80
6130
14.0
139
1.3
100
6603
18.0
126
1.8
50
80A6
6073
15.0
144
1.5
60
6453
11.3
173
1.2
80
7103
9.0
196
1.0
100
7380
0,55
35.0
99
1.3
80
71B2
4865
28.0
114
1.0
100
5241
35.0
108
2.0
40
80A4
4865
28.0
129
1.6
50
5241
23.3
146
1.4
60
5569
17.5
180
1.1
80
6130
14.0
206
0.9
100
6603
30.0
128
2.0
30
80B6
5122
22.5
159
1.5
40
5637
18.0
187
1.2
50
6073
15.0
214
1.0
60
6453
0,75
46.7
109
1.3
60
80A2
4421
28.0
156
0.8
100
5241
56.0
102
2.0
25
80B4
4160
46.7
117
2.0
30
4421
35.0
147
1.5
40
4865
28.0
177
1.2
50
5241
23.3
200
1.0
60
5569
60.0
98
2.4
15
90S6
4065
45.0
126
1.9
20
4474
36.0
153
1.4
25
4820
30.0
174
1.5
30
5122
22.5
216
1.1
40
5637
1,1
112.0
78
1.9
25
80B2
3302
93.3
90
1.9
30
3509
70.0
116
1.4
40
3862
56.0
139
1.1
50
4160
46.7
160
0.9
60
4421
90.0
100
2.3
10
90L6
3551
60.0
144
1.6
15
4065
45.0
184
1.3
20
4474
36.0
225
1.0
25
4820
30.0
256
1.0
30
5122
93.3
96
2.1
15
90S4
3509
70.0
123
1.7
20
3862
56.0
150
1.3
25
4160
46.7
171
1.3
30
4421
35.0
216
1.0
40
4865
1,5
120.0
105
2.0
7.5
100L6
3227
90.0
137
1.7
10
3551
60.0
196
1.2
15
4065
56.0
189
0.8
50
90S2
4160
46.7
218
0.7
60
4421
140.0
90
2.2
10
90L4
3065
93.3
130
1.5
15
3509
70.0
168
1.3
20
3862
56.0
205
1.0
25
4160
46.7
233
1.0
30
4421
280.0
46
3.1
10
90S2
2433
186.7
67
2.2
15
2785
140.0
87
1.8
20
90S2
3065
112.0
106
1.4
25
3302
93.3
123
1.4
30
3509
70.0
158
1.0
40
3862
2,2
186.7
100
1.8
7.5
100LA4
2785
140.0
132
1.5
10
3065
93.3
191
1.0
15
3509
373.3
51
2.5
7.5
90L2
2210
280.0
68
2.1
10
2433
186.7
98
1.5
15
2785
140.0
128
1.3
20
3065
112.0
156
1.0
25
3302
93.3
180
0.9
30
3509
3
373.3
70
1.9
7.5
100LA2
2210
280.0
92
1.6
10
2433
186.7
137
1.4
7.5
100LB4
2785
140.0
180
1.1
10
3065
93.3
261
0.8
15
3509
4
373.3
93
1.4
7.5
112M2
2210
280.0
123
1.2
10
2433
186.7
182
1.0
7.5
112M4
2785
140.0
240
0.8
10
3065

 

Пример заказа редуктора:

NMRV - 075 - 20 - 70 - 2,2 - B3

NMRV - модель червячного редуктора
075 - габарит межцентровое расстояние в мм
20 - передаточное число
70 - скорость вращения выходного вала, об/мин
2,2 - мощность электродвигателя, кВт
B3 - расположение в пространстве

 

 
© 2014 Редукторы, мотор-редукторы, устройства плавного пуска, преобразователи частоты