Цилиндрические мотор-редукторы 1МЦ2С, 1МЦ2С-63, 1МЦ2С-80, 1МЦ2С-100, 1МЦ2С-125: характеристики, устройство, принцип работы, стоимость в Краснодаре и Краснодарском крае

1МЦ2С-63, 1МЦ2С-80, 1МЦ2С-100, 1МЦ2С-125
Мотор-редукторы серии 1МЦ2С изготавливаются в нескольких типоразмерах (1МЦ2С-100Н, 1МЦ2С-80Н, 1МЦ2С-63Н) по соосной схеме расположения выходного вала и электродвигателя. В редукторах применяются цилиндрические закаленные зубчатые колеса с зацеплением Новикова. Редукторы имеют большой ряд передаточных чисел, что позволяет получить широкий диапазон выходных оборотов. Имеется возможность крепления на лапах или на фланце в различных положениях. Питается от сети переменного тока 220 или 380В. Механизмы 1МЦ2С применяются во всех сферах промышленности и сельского хозяйства. Конструкция проектировалась еще Советскими инженерами и за долгие годы эксплуатации редукторы показали себя как неприхотливые высоконадежные устройства.

 

Техническое описание

Условия применения

Габаритные и присоединительные размеры

Монтажное исполнение

Технические характеристики

 

 

Техническое описание 1МЦ2С-63, 1МЦ2С-80, 1МЦ2С-100, 1МЦ2С-125

Редукторы серии 1МЦ2С являются самыми распространенными среди цилиндрических редукторов выпускаемых промышленностью России. За долгие годы эти редукторы зарекомендовали себя как надежные устройства. Редукторы серии 1МЦ2С имеют четыре типоразмера 1МЦ2С-63, 1МЦ2С-80, 1МЦ2С-100, 1МЦ2С-125. Каждый типоразмер имеет два варианта крепления – на лапах G110 и на фланце G310. Редукторы в базовой комплектации имеют конический вал, возможна установка цилиндрического вала, что оговаривается при заказе.

 

 

УСЛОВИЯ ПРИМЕНЕНИЯ РЕДУКТОРОВ

  • Нагрузка равномерная либо с периодическими изменениями не превышающая максимально допустимый момент
  • Вращение выходного вала в обе стороны без потери момента
  • Климатические условия соответствуют стандартам У2, У3, Т2
  • Время работы редуктора до 24 часов в сутки при условии соблюдения температурных режимов
  • Заявленные характеристики соответствуют режиму работы до 1000 метров над уровнем моря.

 

Внешний вид редукторов 1МЦ2С-63, 1МЦ2С-80, 1МЦ2С-100, 1МЦ2С-125

 

 

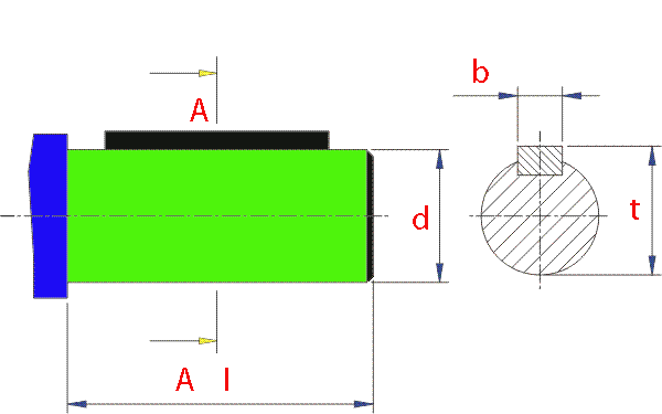
Габаритные и присоединительные размеры 1МЦ2С-63, 1МЦ2С-80, 1МЦ2С-100, 1МЦ2С-125

Габаритные и присоединительные размеры 1МЦ2С-100Н, 1МЦ2С-80Н, 1МЦ2С-63Н

Выходной вал 1МЦ2С-100Н, 1МЦ2С-80Н, 1МЦ2С-63Н

Тип мотор-редуктора

Частота вращения вых. вала, об/мин

L

B

H

l

l1

l2

l3

l4

b

b1

b2

d

d1
4 отв

h

h1

t

не более

1МЦ2С-63Н

28...71

465

200

265

60

48

110

15

160

8

185

150

28k6

12

140

16

31

90

490

200

265

112...180

515

250

275

1МЦ2С-80Н

28; 35,5; 45; 56

547

200

305

80

75

115

20

175

10

220

180

35k6

15

170

18

38

71...160

601

250

317

1МЦ2С-100Н

28...90

675

260

377

110

102

130

20

195

14

255

210

45k6

15

212

22

48,5


Монтажное исполнение 1МЦ2С-63, 1МЦ2С-80, 1МЦ2С-100, 1МЦ2С-125

Монтажное исполнение

 

Технические характеристики

Тип мотор-редуктора

Выходная скорость об/мин

Номинальный крутящий момент на выходном валу, Нм

Масса, кг

Электродвигатель

Тип

Мощность, кВт

1МЦ2С-63Н

28

112

27

АИР71А6

0,37

160

АИР71В6

0,55

35,5

140

170

29

АИР80А6

0,75

45

106

27

АИР71В4

0,55

140

29

АИР80В4

0,75

56

132

27

АИР71В4

0,75

170

30

АИР80А4

1,1

71

100

27

АИР71В4

0,75

140

30

АИР80А4

1,1

90

118

150

32

АИР80В4

1,5

112

118

170

38

АИР90L4

2,2

140

95

32

АИР80В4

1,5

140

33

АИР90L4

2,2

180

80

32

АИР80В4

1,5

112

38

АИР90L4

2,2

1МЦ2С-80Н

28

236

37

АИР80А6

0,75

335

41

АИР80В6

1,1

35,5

180

37

АИР80А6

0,75

265

41

АИР80В6

1,1

45

224

300

45

АИР90L6

1,5

56

250

41

АИР80Â4

1,5

355

46

АИР90L4

2,2

71

280

355

51

АИР100S4

3,0

90

236

46

АИР90L4

2,2

335

51

АИР100S4

3,0

112

180

46

АИР90L4

2,2

236

51

АИР100S4

3,0

315

57

АИР100L4

4,0

140

200

51

АИР100S4

3,0

265

57

АИР100L4

4,0

180

160

51

АИР100L4

3,0

212

57

АИР100L4

4,0

1МЦ2С-100Н

28

522

70

АИР100L8СВ

1,5

35,5

550

77

АИР100L6СВ

2,2

45

455

74

АИР100L6СВ

2,2

56

514

73

АИР100S4СВ

3,0

71

553

80

АИР100L4СВ

4,0

90

422

80

АИР100L4

4,0


 

Двухступенчатые цилиндрические редукторы 1Ц2У-100, 1Ц2У-125, 1Ц2У-160, 1Ц2У-200, 1Ц2У-250

Одноступенчатые цилиндрические редукторы серии ЦУ-100, ЦУ-160, ЦУ-200, ЦУ-250

Двухступенчатые цилиндрические редукторы серии 1Ц2У-315Н, 1Ц2У-355Н, 1Ц2У-400Н, 1Ц2Н-450, 1Ц2Н-500

Трехступенчатые цилиндрические редукторы ЦЗУ-160, ЦЗУ-200, ЦЗУ-250

Одноступенчатые червячные редукторы серии 1Ч-63А

Одноступенчатые червячные редукторы Ч-100, Ч-125, Ч-160

Одноступенчатые червячные редукторы 1Ч-160

Двухступенчатые редукторы Ч2-160

Редукторы червячные одноступенчатые 4Ч-80

Одноступенчатые червячные редукторы Ч-80

Одноступенчатые червячные редукторы 2Ч-40, 2Ч-63, 2Ч-80

Цилиндрические соосные мотор-редукторы MTC A

Цилиндрические соосные мотор-редукторы R (RF)

Двухступенчатые мотор-редукторы 4МЦ2С, 4МЦ2С-63, 4МЦ2С-80, 4МЦ2С-100, 4МЦ2С-125

Цилиндрические мотор-редукторы 1МЦ2С, 1МЦ2С-63, 1МЦ2С-80, 1МЦ2С-100, 1МЦ2С-125

Цилиндрические плоские мотор-редукторы серии F

Мотор-редукторы планетарные тип: 3МП-31,5; 3МП-40; 3МП-50; 3МП-63; 3МП-80; 3МП-100; 3МП-125

Мотор-редукторы планетарные двухступенчатые МПО2М-10, МПО2М-15

Мотор-редукторы планетарные одноступенчатые типа МПО1М-10

Мотор-редукторы планетарные МРВ-02 и МРВ-04

Волновые мотор-редукторы ЗМВз

Цилиндро-конические мотор-редукторы K

 

 
© 2014 Редукторы, мотор-редукторы, устройства плавного пуска, преобразователи частоты